EUROMARINE Contrôleur de charge.
Contrôleur de charge pour 2 batteries à encastrer sur cloison ou à intégrer sur un tableau électrique du bateau ou camping-car.
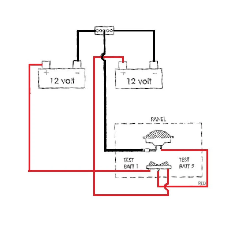
Installé depuis près de 30 ans sur les bateaux de plaisance et véhicules aménagés ce contrôleur de charge simplissime ce fixe et se connecte comme un voltmètre. Il permet de tester les batteries en appuyant sur l’interrupteur, si l’aiguille ce place au milieu du cadran, la batterie est chargé, si l’aiguille atteint le haut du cadran, la batterie est en charge.
Ce contrôleur de charge convient parfaitement pour les batterie 12V de fourgon et camping-car. La progression de l’aiguille varie selon la charge de la batterie.
Caractéristiques techniques du contrôleur de charge EUROMARINE :
– Dimensions tableau : 64 x 83 mm











Avis
Il n’y a pas encore d’avis.